Lallure De La Tension Delivree Par Lalternateur
(Elle est de 60 Hz aux Etats-Unis).
Lallure de la tension delivree par lalternateur. La tension induite est donc nulle. La lampe brille et on observe à l’écran de l’oscilloscope une courbe prouvant que la tension délivrée par la dynamo (qui est un alternateur) est variable et alternative. Elle permet d'adapter la tension de l'alternateur en fonction de la vitesse de rotation du système d'entraînement.
La valeur de l’alternateur doit être d’environ 14 volts. En effet, la batterie peut être en parfait état de marche, mais elle ne reçoit pas suffisamment de courant. De PJO74 » Lun 11 Juin 18 14:35.
Par woodydu13 (Date :. Le balai en charbon a pour mission de transmettre un champ électrique au rotor de l’alternateur lorsque la tension délivrée par celui-ci n’est pas. Mais n’allume pas d’alarme.
Le coût dépend de la réparation effectuée :. Production de l’énergie électrique. Bonjour, Je possède un chevrolet captiva de 07 et depuis un an je rencontre un problème de charge.j'ai après quelques vérifications, changé la batterie, l'alternateur et sa courroie, et le problème persiste a savoir:.
La solution qui me séduit serait le chargeur de batterie à batterie posé entre le répartiteur sterling et le parc de batteries de servitudes. Regardez voir l' allure de la tension délivrée sur le réseau (encore) EDF, on voit bien de l' alternatif sinusoïdal qui n' est point redressé pour de simples raisons de transport et élévation tension. Exercice n° 2 page 116 La centrale de montagne utilise l'eau d'un lac de retenue d'un barrage.
Lorsque la tension atteint la tension max de bus, le régulateur coupe l’excitation. Il est donné pour 980w, ce qui donne dans les 70-80 Ampères de débit max en fonction de la tension délivrée bien sûr !. La tension etait certe un peu plus faible(11.80v environ) que celle normalement debitée autour de 13/15v de ce fait je roulais avec la reserve batterie qui se dechargeait au fur et a mesure.
En roulant la nuit, les phares qui illuminent à peine indiquent un dysfonctionnement. Bonjour, je viens dernièrement de changer de batterie, celle montée dessus donnant depuis quelques temps qq signes de fatigues et m'ayant même laissé en rade 2/3 fois (l'ingrate :mad:. S'agit -il là de la relation E=k.oméga(rad/s) avec E la force électromotrice ?.
La fréquence de la tension alternative étudiée est de 0,016 Hz environ Pour E.D.F, on a vu que la période de la tension fournie est de 0,02 s f = 1 / T donc f = 1/ 0,02 f = 50 Hz. La figure suivante illustre la courbe de la tension générée par le mouvement d'une bobine dans un champ magnétique. (Apprenti chercheur) Avec un réglage de 2 ms/div, la période occupe 1,3 div.
La tension délivrée par l'alternateur de 14,25A, trop faible pour les batteries lithium projetées, devra être boostée pour être adaptée à celles-ci. Cette intensité est de l'ordre de la centaine d'ampères. D) L'alternateur permet de convertir l'énergie mécanique de l'eau en énergie électrique.
Reconditionnement de l'alternateur (remplacement du régulateur) :. En roulant la nuit, les phares qui illuminent à peine indiquent un dysfonctionnement. C’est le cas de la tension électrique fournie par une pile.
- A la position 0° (position A), la bobine est parallèle aux lignes magnétiques :. "Tremblotements" de la lampe :. égalisation) Si la tension délivrée par.
En effet, la batterie peut être en parfait état de marche, mais elle ne reçoit pas suffisamment de courant. Ne batterie (d'accumulateurs) peut délivrer une intensité importante parce que sa résistance interne est de faible valeur (inférieure à 1 ohm). Que tu es 1 autoradio ou 10 autoradio, l'alternateur va débiter un certain nombre d'ampères, jusqu'à sa capacité maxi au besoin;.
II - L’alternateur 2 - Propriétés expérimentales Alternateur, fils, oscilloscope. Ce type d'alternateur est placé directement dans l’axe de rotation de la roue de vélo. Je me tourne donc vers vous pour plusieurs raisons:.
Tension délivrée par un alternateur. Ne confondez pas tension U volts qui reste stable et intensité (ampères consomation consommation à la demande ) De toute façon, la tension de charge est toujours supérieure à 12, 7 volts et je confirme bien entre 13,8 et 14,4 volts piloté ou pas.C'est l'intensité de charge exprimé en ampères qui varie (égalisation) (floating:. Une tension est continue si sa valeur ne varie pas au cours du temps.
Il empêche essentiellement la batterie de perdre sa charge, sans quoi, votre voiture finira par ne plus fonctionner. La tension est alternative si le mouvement est un va-et-vient. Ce type d'alternateur est placé directement dans l’axe de rotation de la roue de vélo.
Le rotor est l'inducteur. Parfois vers le haut, parfois vers le bas… 3. 14V semble être le maxi d'après ce que je lis un peu partout et je sais que ma batterie est morte parce que mon alternateur lui envoyait 15,4V en charge, mesuré la semaine dernière.
Hacheur "chauffage électrique" Une batterie de 12v alimente une résistance par l'intermédiaire d'un transistor de puissance. Une tension variable dans le temps peut être obtenue par déplacement d’un aimant au voisinage d’une bobine (ou l’inverse). Une dynamo, comme tous les alternateurs, transforme l’énergie mécanique en énergie électrique.
On peut donc régler la base de temps sur 0,5. Que ca pompe du courant ou pas, la tension de l'alternateur est régulée de telle facon à rechargée la batterie, sans l'endommager;. Depuis une dizaine d’années, les bicyclettes sont dotées d’un nouveau type alternateur :.
La tension délivrée par le réseau n'a pas de valeur constante car les alternateurs électriques, comme l'alternateur de démonstration étudié ici, délivrent une tension alternative et sinusoidale. Un alternateur bouteille est un alternateur dont la rotation est assurée par l’une des roues du vélo avec laquelle elle est en contact. Quelle est la condition pour que le thyristor se bloque ?.
Représente ci-dessus l'allure de la tension observée sur l'Oscilloscope ( cet appareil de visualisation fera l'objet d'un future TP ) 2. Variations de la tension délivrée par l'alternateur. à partir de quelle tension de charge délivrée par l'alternateur la batterie est-elle en danger?.
Aimant immobile, spot immobile sur zéro. Entre flinguer les roulement par une surtension de la courroie et la bonne tension, il y a quand même un peu de marge.qui permet d. Tracer l'allure du courant dans la charge.
Quand cette borne de référence est reliée à l'excitation de l'alternateur,celui-ci voit la tension batterie moins la perte de diode et ajoute alors à la tension délivrée par l'alternateur la même valeur pour compenser. On remarquera que la tension min de bus est supérieure à celle de la batterie à vide, et inférieure à la tension délivrée par l’alternateur. Luigi Par luigi , le 16/10/16 à 16:07.
Les batteries des véhicules sont caractérisées par :. é) Le transformateur permet d'élever la tension électrique délivrée par l'alternateur à la sortie de la centrale. Variations rapides de la vitesse de l'alternateur, un diesel ne tournant pas vraiment rond au ralenti !.
En déduire la tension efficace V à vide. I Expliquer pourquoi la tension délivrée par le réseau électrique n’a pas une valeur constante. Elle impose un seul sens pour le courant, dont l’intensité est constante au cours du temps.
De nos jours, …. Il vaut mieux s'adresser à un atelier d'électricité automobile (ça existe encore) qui vous exécutera une remise en état (régulateur + balais – remplacement des bagues collectrices et. Analysons la figure ci-dessus.
On a relevé, à l'aide d'un oscilloscope, l'allure, en fonction du temps, de la tension v délivrée par la génératrice synchrone à vide (figure 1). Pour mesurer une tension continue, on peut utiliser un voltmètre (en mode continu) ou un oscilloscope. Le déplacement d’un aimant devant une bobine est le principe de :.
Lorsque je mesure ma tension avant démarrage elle est de 12,30v lorsque je démarre elle chute à 11,85v, quelques secondes. A) Déterminer la valeur de la tension maximale U max de cette tension. 1) leur tension, exprimée en volts, actuellement 12 V en général,.
En déduire la tension efficace V à vide. 10) Déterminer la période de la tension relevée sur la figure 1. La réactance synchrone se détermine elle-aussi par la mesure :.
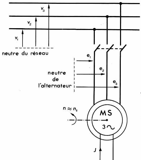
Elle permet d’adapter la tension de l’alternateur en fonction de la vitesse de rotation du système d’entraînement. Donc attention a la. J'ai un appareil branché sur la prise 12 volts de la console qui affiche en permanence le voltage du véhicule.
Coût de la réparation. Par contre je m'interroge concernant la charge délivrée par l'alternateur de la voiture, je me demande si elle ne serais pas des fois un peu faiblarde (la batterie qui était dessus n'ayant que environ 4. Si l’on remplace la charge, par un courtcircuit alors la tension de sortie est.
I Observer la tension et la fréquence du signal à basse, moyenne et haute vitesse de rotation. La valeur efficace de la force électromotrice peut aussi être évalué par mesure à vide, car si l’on supprime la charge, alors le courant = et donc :. Après avoir posé la nouvelle batterie il a mesuré la tension délivrée par l'alternateur aux bornes de la batterie (à régime moteur stabilisé):.
La tension délivrée par l'alternateur est trop basse pour recharger efficacement le parc de batterie de servitude ( batteries au Pb ) Je souhaiterai modifier le régulateur de cet alternateur en fabriquant un régulateur externe pour que celui-ci sorte une tension ajustable manuellement ( potentiomètre )comprise entre 14,2V et 15V. Déjà,trouver les problèmes dans mon énoncé (connaissances ou termes techniques notamment) et me donner certaines formules permettant de connaître la puissance délivrée par l'alternateur (d'après ce que j'ai compris, la puissance de l'alternateur varie en fonction de la résistance. Cela évite de saturer le système d'excitation et d'endommager le rotor de l'alternateur.
Votre alternateur est un élément essentiel de votre voiture. Obtenir une belle courbe à l’écran. Si vous ne parvenez pas à mesurer la tension de votre batterie, vous pouvez regarder notre tuto qui vous expliquera comment réaliser cette manipulation.
Mettez le moteur en route. Branchez les fils du multimètre comme indiqué ci-dessus. 9) Déterminer la tension maximale Vmax délivrée par la génératrice à vide.
En France la fréquence de la tension alternative fournie par E.D.F est de 50 Hz. Si la vitesse du système est plus faible que la vitesse nominale, on abaisse la tension délivrée par l’alternateur. 2) Tension délivrée par un GBF (générateur basse fréquence).
Tension générée par le mouvement d'une bobine dans un champ magnétique :. Mais, est ce que la tension efficace fournie par l'alternateur est proportionnel à la vitesse de rotation du galet de la dynamo sachant que le galet est au contact de la roue. De ce fait, la voiture fonctionne péniblement ou cesse de rouler si la tension délivrée par l’alternateur est trop faible.
Utilité et fonctionnement des charbons. Lorsque Jeanne pédale de plus en plus vite, la tension maximale délivrée par la génératrice augmente, ainsi que sa fréquence. Tension vue par la borne de référence 13,5 v - 0,7 v =12,8 v.
Cela évite de saturer le système d’excitation et d’endommager le rotor de l’alternateur. De ce fait, la voiture fonctionne péniblement ou cesse de rouler si la tension délivrée par l’alternateur est trop faible. La tension délivrée par une pile est continue :.
C) Par quelle valeur faut-il multiplier le nombre de divisions pour obtenir la période de la tension. On a relevé, à l'aide d'un oscilloscope, l'allure, en fonction du temps, de la tension v délivrée par la génératrice synchrone à vide (figure 1). Tracer l'allure de la tension aux bornes de la résistance.
Il recharge votre batterie et fournit du courant aux composants électriques de votre voiture en utilisant une partie de la puissance délivrée par son moteur. Par contre je m'interroge concernant la charge délivrée par l'alternateur de la voiture, je me demande si elle ne serais pas des fois un peu faiblarde (la batterie qui était dessus n'ayant que environ 4. La tension est alternative si le mouvement est un va-et-vient.
On sait que le courant fournit par l'alternateur est alternatif. B-En faisant TOURNER l'aimant à proximité de la bobine :. Le spot se déplace… 2.
D) Calculer la période de la tension. Malheureusement, peu de professionnels proposent ce service. Un alternateur bouteille est un alternateur dont la rotation est assurée par l’une des roues du vélo avec laquelle elle est en contact.
Les valeurs de Uma , T et f pour les tensions obte- nues aux bornes de la bobine sont données ci-des- sous :. Si la vitesse du système est plus faible que la vitesse nominale, on abaisse la tension délivrée par l'alternateur. 14,6V Il m'a dit qu'il trouvait que ça faisait un peu trop, que la batterie risquait de ne pas aimer, et qu'il faudrait surveiller l'alternateur.
Suite et fin de "serie alternateur" Finalement pour conclure,apres avoir mesuré la tension de l'alternateur , il s'avere que c'etait bien lui la cause de tout ce mic mac electrique !. Ralenti trop bas, la tension délivrée par l'alternateur est inférieure à celle du contact, la lampe s'allume plus ou moins faiblement. L'invention concerne un circuit d'alimentation du bobinage inducteur (12) d'un alternateur, destiné à alimenter le réseau de bord d'un véhicule automobile, ce bobinage inducteur étant alimenté par l'intermédiaire du réseau de bord, la tension du bobinage inducteur étant régulée par découpage.Ce circuit comprend un circuit d'élévation de tension (50) pour augmenter d'au moins un.
Cette tension permet de faire fonctionner un appareil électrique (ampoule). Tout ça à une tension entre 13.5 et 14.5v environ. Tension batterie réelle 13,5 v.
Cela dépend du mouvement et du pôle de l’aimant ;. C'est ça qui m'inquiète:. De plus, si on branche un voltmètre aux bornes de la pile, on observe que sa tension reste la même au cours du temps.
Déterminer la période de la tension relevée sur la figure 1. Il peut être constitué d'un aimant permanent (générant donc un champ constant), dans ce cas la tension délivrée par la machine n'est pas réglable (si on ne tient pas compte des pertes dans les conducteurs) et sa valeur efficace et sa fréquence varient avec la vitesse de rotation. Depuis une dizaine d’années, les bicyclettes sont dotées d’un nouveau type alternateur :.
Bonjour à tous, Je viens vous relater une curiosité (pour moi) à propos de la tension délivrée par l'alternateur :. Déterminer la tension maximale Vmax délivrée par la génératrice à vide. B) Déterminer la période T de cette tension en ms et en s.
= ⇒ = b) La réactance synchrone :. Bonjour, je viens dernièrement de changer de batterie, celle montée dessus donnant depuis quelques temps qq signes de fatigues et m'ayant même laissé en rade 2/3 fois (l'ingrate :mad:.

La Tension Alternative

Forum Mg Afficher Le Sujet Alternateur

Machine Synchrone
Lallure De La Tension Delivree Par Lalternateur のギャラリー

Machine Synchrone Introduction

Electricite Domestique Physiques Classe De 3eme

Physique Concrete
Tel Archives Ouvertes Fr Tel Document

Electricite Recharge Avec L Alternateur Rollingbears Van Amenage
Tel Archives Ouvertes Fr Tel File Torlay Jean Eric Opt 1999 Pdf

Machine Synchrone

1 2 Creation D Une Tension Alternative Triphasee Cours D Electrotechnique
Http Di Univ Blida Dz 8080 Jspui Bitstream 1999 1 Untitled Pdf

Couplage Des Alternateurs Claude Chevassu

Physique Concrete

Imprimer Alternateur D Arbre

Connaissances De L Alternateur Role Verification Officiel Page 8 Technologie Mecanique Electronique Forum Technique

13 Mise En Parallele D Alternateur
Sp Fiche De Synthese En Ligne

Fonctionnement D Un Alternateur Les Composants

Exercices D Electrotechnique

Telecharger

Philippe Boursin Pedagogie Circuit De Charge
Le Coin Des Experts Lelivrescolaire Fr
Http Www Slstsciencesphysiques Eu Wa Files 3ch13c Pdf
2
Polycope Activite 17 19 Centrale Electrique Energie Hydroelectrique

Pratiques Et Techniques De La Plaisance
Tel Archives Ouvertes Fr Tel File Torlay Jean Eric Opt 1999 Pdf
Exxotest Com Wp Content Uploads 18 03 Gu Dt M008 Fr Pdf
Couplage Reseau Ht Generateur Electrique Puissance Physique
Http Www Utc Fr Lec Theses Manuscrits These Agimeno Pdf
Td Machine Synchrone Puissance Physique Generateur Electrique
Http Www Slstsciencesphysiques Eu Wa Files 3ch13c Pdf
2

Chapitre Ii Tension Alternative Periodique Physique Chimie Au College

Chapitre Ii Tension Alternative Periodique Physique Chimie Au College
2
Tel Archives Ouvertes Fr Tel File Torlay Jean Eric Opt 1999 Pdf
E Learning Univ Saida Dz Moodle Mod Resource View Php Id 841
Nanopdf Com Download Td Sciences Appliquees Machines Synchrones Sts Pdf

Les Centrales Electriques Et La Production D Energie Electrique Quelle Est L Influence De La Vitesse De Rotation De L Alternateur Sur La Tension Produite
2

G 2 Ms Td Extraitsbac
Tel Archives Ouvertes Fr Tel File Torlay Jean Eric Opt 1999 Pdf
Exxotest Com Wp Content Uploads 18 03 Gu Dt M008 Fr Pdf

Exercices Machines Synchrones Exercice 1 1 Les Indications

Philippe Boursin Pedagogie Circuit De Charge

Machine Synchrone

11 Transformateurs Monophases

Exercices Sur Les Machines Synchrones

Schemas Electriques Et Electroniques Couplage Des Machines Synchrones Moteur Synchrone
Http Www Slstsciencesphysiques Eu Wa Files 3ch13c Pdf

Machine Synchrone Introduction
Tel Archives Ouvertes Fr File Index Docid Filename Richard Stephanie 1997 Opt Pdf

Woa1 Ensemble Fonctionnant A Regime Variable Google Patents

Machine Synchrone

Chapitre Ii Tension Alternative Periodique Physique Chimie Au College

Philippe Boursin Pedagogie Circuit De Charge
Exxotest Com Wp Content Uploads 18 03 Gu Dt M008 Fr Pdf

Ti Planet Conversion Transport Distribution De L Energie Electrique Programme Mviewer Gx Creator Lua Nspire

La Tension Periodique
Exxotest Com Wp Content Uploads 18 03 Gu Dt M008 Fr Pdf
Redresseur Wikipedia
Exxotest Com Wp Content Uploads 18 03 Gu Dt M008 Fr Pdf
2

Tension Continue Et Tension Alternative

Courant Continu Courant Alternatif

La Tension Periodique

Philippe Boursin Pedagogie Circuit De Charge
Exxotest Com Wp Content Uploads 18 03 Gu Dt M008 Fr Pdf
Tel Archives Ouvertes Fr File Index Docid Filename Richard Stephanie 1997 Opt Pdf

Schemas Electriques Et Electroniques Couplage Des Machines Synchrones Moteur Synchrone
2
Le Coin Des Experts Lelivrescolaire Fr

Ds 8 La Physique Appliquee En Sti
Tel Archives Ouvertes Fr Tel File Torlay Jean Eric Opt 1999 Pdf

Pratiques Et Techniques De La Plaisance
Nanopdf Com Download Exercice 2 Flux Et Fem Dune Bobine Reelle Creee Par Variation De L Pdf

Probla Me 1 Moteur A Courant Continu A Exci Office Du

Telecharger
Le Coin Des Experts Lelivrescolaire Fr
Tel Archives Ouvertes Fr Tel File Torlay Jean Eric Opt 1999 Pdf

Pdf Cours A Propos De La Production Et Distribution De L Energie Electrique Cours Electricite
Sp Fiche De Synthese En Ligne
Corrigeexoms 1415 Puissance Physique Grandeur Physique

Electricite Recharge Avec L Alternateur Rollingbears Van Amenage
E Learning Univ Saida Dz Moodle Mod Resource View Php Id 841

Philippe Boursin Pedagogie Circuit De Charge
Sp Fiche De Synthese En Ligne
Negawatt Org Img Pdf Fiche Puissances En Alternatif Pdf

Machine Synchrone Introduction
Http Sedki Org Iserv Dlfiles Dl Php Ddl Poly Adc Activite 2ste 1617 Pdf

Woa1 Ensemble Fonctionnant A Regime Variable Google Patents
2

Fichier Site De Nicolas Hadengue
Courant Triphase Wikipedia

Moteur Electrique Caracteristiques Et Alimentation Concours Caplp Maths Sciences 11

Fonctionnement D Un Alternateur Les Composants

Pratiques Et Techniques De La Plaisance

Au Format Word



